二氧化碳激光器全金属密封设计和专属的制造方法确保了最高的气体纯度,从本质上延长了工作寿命(4.5万小时),激光管坚固的腔体设计给激光谐振腔提供了超稳定的平台,保证激光器能够适应现代工业恶劣的工作环境。以其高性能、高可靠性和低成本,成为激光打标、雕刻和切割系统的理想选择。
J9九游会一站式供应各种类型的,新锐激光器,新锐CO2激光器,二氧化碳激光器,CO2激光器,射频CO2激光器,射频激励CO2激光器,紧凑型激光器,CO2射频金属管激光器,UL激光器,universal激光器,射频激励CO2激光器,宙斯CO2激光器,宙斯CO2射频激光器,可提供选型、技术指导、安装培训、个性定制等全生命周期、全流程服务,欢迎联系J9九游会的产品经理!
美国新锐Synrad二氧化碳激光器全金属密封设计和专属的制造方法确保了最高的气体纯度,从本质上延长了工作寿命(4.5万小时),激光管坚固的腔体设计给激光谐振腔提供了超稳定的平台,保证激光器能够适应现代工业恶劣的工作环境。Synrad 激光器以其高性能、高可靠性和低成本,成为激光打标、雕刻和切割系统的理想选择。

32系列具有唯一一款射频集成5瓦CO2激光器,它是一款独特的激光器,是专门用于PCB打标应用的最佳解决方案,特别要求小型机器以用于紧凑型工厂的装置。32-1也是业界最小的CO2激光器,在低功耗的工业级CO2激光器领域树立了新标杆。目前,许多敏感打标应用使用较高功率的激光器,并且释放额外的激光功率以避免烧穿和过度熔化。32-1专为敏感材料的打标和编码应用而设计,比高功率激光器使用更少的能量,降低了运营成本。
| 型号 | STS-32-1 |
| 输出激光功率 | 5W |
| 光束质量M2 | < 1.2 |
| 上升时间/下降时间 | <150/150?sec |
| 光束直径 | 2.3+0.5mm |
| 激光波长 | 10.6+0.03?m |
| 功率稳定性 | +15% (典型值~10% ) |
| 冷却方式 | 空气 |
| 最大制冷量要求 | 150W |
| 输入电源电压电流 | 30VDC/4A |
| 外形尺寸 | 284x71x106mm |
| 重量 | 3.18kg |

Synrad的原始“全金属”管技术打开了用于工业应用的密封CO2激光器的大门。经过超过25年的发展,J9九游会的48系列仍然是性能、可靠性、长寿命和低成本的行业标准。48系列是Synrad最紧凑的激光器,是集成到标记 、雕刻和小型切割系统的主力,在这些系统中,工业环境中的性能和可靠性至关重要。
| 产品型号 | STS-48-1 | STS-48-1 W | STS-48-2 | STS-48-2W | STS-48-5W |
| 输出功率 | 8W@9.3?m 10W@10.6?m | 8W@9.3?m 10W@10.6?m | 18W@9.3?m 25W@10.6?m | 18W@9.3?m 25W@10.6?m | 50W |
| 模式质量 | M?<1.2 | M?<1.2 | M?<1.2 | M?<1.2 | M?<1.2 |
| 上升时间 | <150?sec | < 150?sec | <150?sec | <150?sec | <150?sec |
| 光束直径 | 3.5mm | 3.5mm | 3.5mm | 3.5mm | 3.5mm |
| 激光波长 | 9.3μm/10.6μm | 9.3μm/10.6μm | 9.3μm/10.6μm | 9.3μm/10.6μm | 10.6μm |
| 冷启动功率稳定性 | +10% | +10% | +5% | +5% | +5% |
| 冷却 | 空气 | 水 | 空气 | 水 | 水 |
| 最大热负荷 | 300W | 300W | 500W | 500W | 800W |
| 输入电压/电流 | 30VDC/7A | 30VDC/7A | 30VDC/14A | 30VDC/14A | 30VDC/28A |
| 外形尺寸 | 429x71x107mm | 429x71x107mm | 810x71x107mm | 810x71x107mm | 886x135x114mm |
| 重量 | 4.1kg | 4.1kg | 8.2kg | 8.2kg | 20kg |

Synrad的V系列激光器是高性能激光雕刻机和高速标记系统的理想光源。设计用于与独特的3点安装系统轻松集成,适用于各种安装选项。v系列与ti和vi系列激光器采用共同的光束出口点,可实现轻松的插入式替换。为了使集成尽可能简单,v系列激光器包括板载发电机、工业标准5-24 VDC I/O端口和通过15针D型连接器实现远程控制状态。
| 产品型号 | STS-v30 | STS-v30W | STS-v40 | STS-v40W |
| 输出功率 | 20W@9.3?m 25W@10.2?m 30W@10.6?m | 20W@9.3?m 25W@10.2?m 30W@10.6?m | 40W | 40W |
| 模式质量 | M2<1.2 | M2<1.2 | M2<1.2 | M2<1.2 |
| 上升时间 | <100?sec | <100?sec | <100?sec | <100?sec |
| 光束直径 | 2.5mm | 2.5mm | 2.5mm | 2.5mm |
| 光束发散(全角) | <7.0mrad | <7.0mrad | <7.0mrad | <7.0mrad |
| 激光波长 | 9.3 ?m/10.2 ?m/10.6 ?m | 9.3?m/10.2?m/10.6?m | 10.6?m | 10.6?m |
| 功率稳定性 | +5%/+3% | +5%/+3% | +5%/+3% | +5%/+3% |
| 冷却 | 空气 | 水 | 空气 | 水 |
| 最大热负荷 | 450W | 450 W | 540W | 540W |
| 输入电压/电流 | 30VDC/15A 30VDC/16A (风扇) | 30VDC/15A | 30VDC/18A | 30VDC/18A |
| 外形尺寸 | 428x117x146mm | 428x117x146mm | 579x117x146mm | 579x117x146mm |
| 重量 | 8.2kg | 8.7kg | 11.6 kg | 10.9 kg |

超紧凑的下一代激光器,适用于严苛的工业编码、标记和雕刻应用。专为原始设备制造商(OEM)设计,具有小尺寸和插入式兼容性,与v和ti系列激光器采用相同的光束出口点。新的vi40包括一个新的温度传感功能,用于实时状态监测,Gen2管设计有效地管理热阻和功率,以提供稳定的精确光束。vi系列提供一些最紧凑、最轻的30 W和40 W CO2激光器,非常适合小空间和重量敏感的系统。
| 型号 | STS-vi30 | STS-vi40 |
| 输出功率 | 20W@9.3?m 25W@10.2?m 30W@10.6?m | 40W |
| 模式质量 | M2<1.2 | M2<1.2 |
| 上升时间 | <100?sec | <100?sec |
| 光束直径 | 2.5mm+0.5 mm | 2.5mm+0.5mm |
| 光束发散(全角) | <7.0mrad | <7.0mrad |
| 波长 | 9.3?m/10.2?m/10.6?m | 10.6?m |
| 功率稳定性 | +5%/+3% | +5%/+3% |
| 冷却 | 风冷/水冷 | 空气 |
| 热负荷(最大) | 500W | 680W |
| 输入电压/电流 | 48VDC/10A | 48VDC/15A |
| 外形尺寸 | 427x89x138mm | 1427x89x138mm |
| 重量 | 5.9kg | 5.9kg |

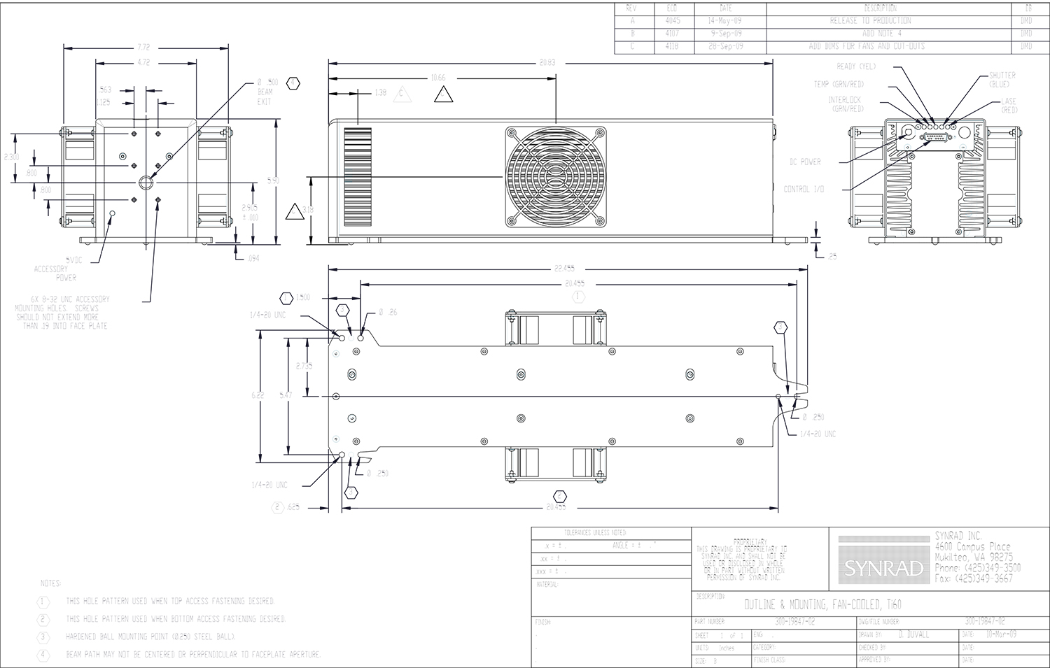
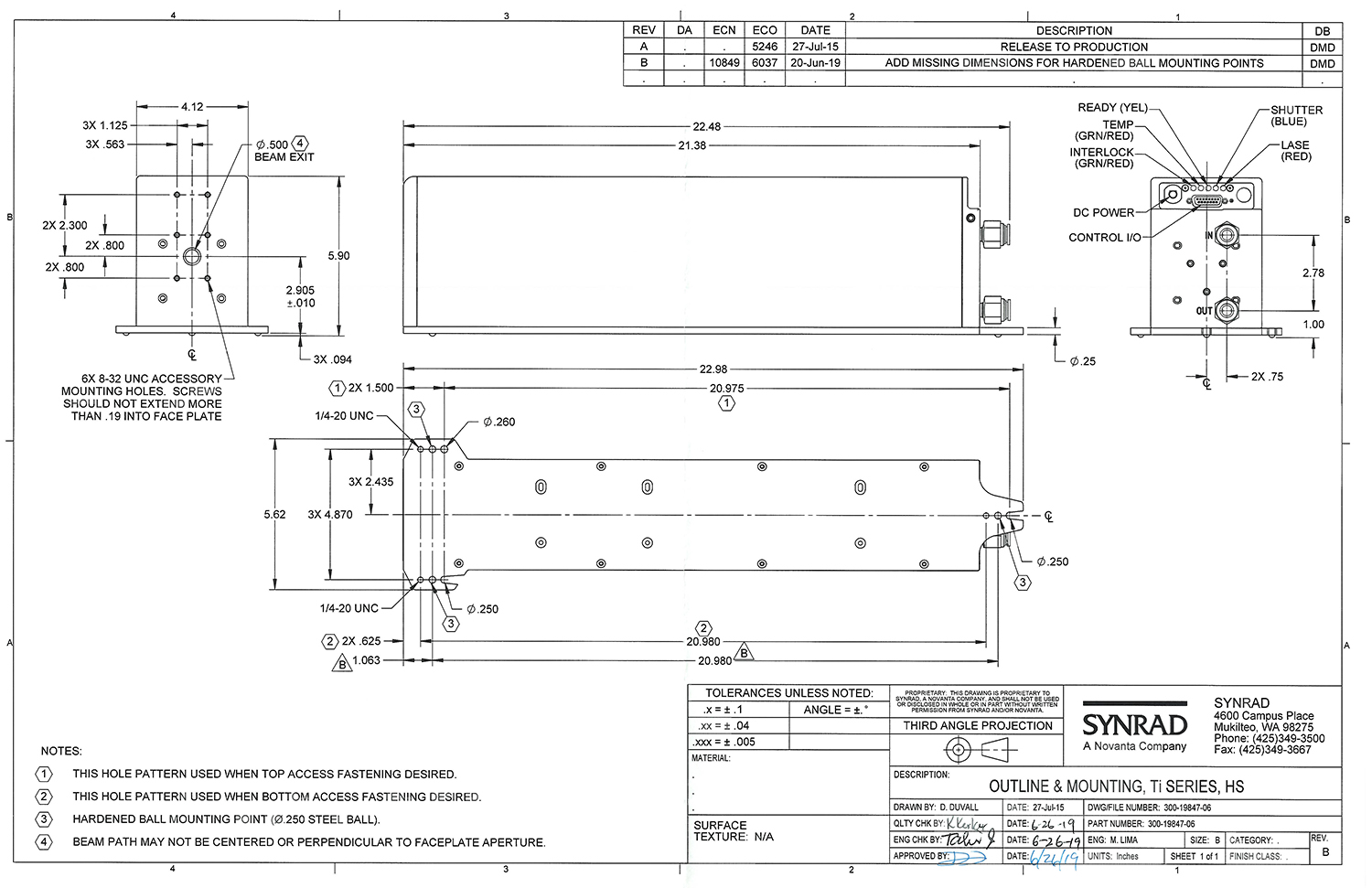
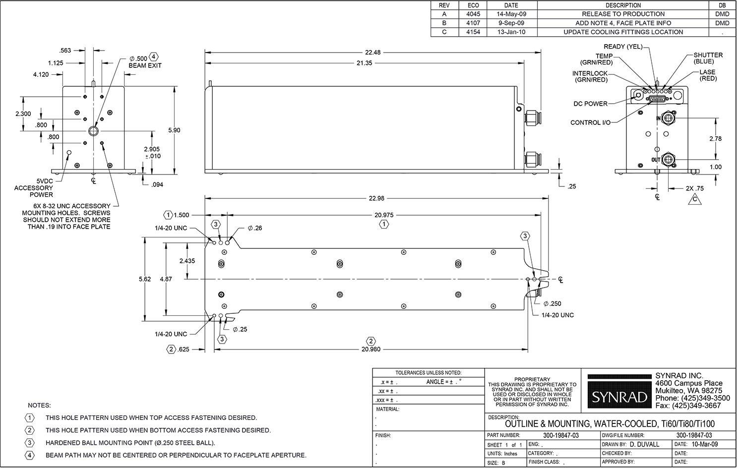
风冷CO2激光器的最大功率和性能是J9九游会ti系列技术的驱动力。Synrad的ti系列激光器采用获得专利的混合非稳谐振器设计,创造出一种紧凑的激光器,具有出色的光束质量,可聚焦到实现最小光斑尺寸,在工作表面上提供最大的功率密度。专为匹配其紧凑型谐振器而设计的高性能射频电路可提供快速上升时间和出色的方波性能。该产品功率高、具有快速脉冲功能,光学品质出色,非常适合于要求使用激光光束进行快速扫描或产生脉冲的应用。因此,实现了更快的加工速度、更高的分辨率和优化的切割、标记和雕刻应用质量。
针对存在高速和精度要求的应用,Synrad 提供水冷型 ti 系列产品,其平均输出功率介于 60W 至 100W 之间。在保持所有其他性能属性的同时,高稳定性(HS)型号可保证实现暖风功率稳定性< + 2%。HS型号在对功率密度波动敏感的应用中尤其有效,例如电子胶片处理、3D打印和织物标记。
| 型号 | STS-ti60 | STS-ti60W | STS-ti60HS | STS-ti80 | STS-ti80W | STS-ti80HS |
| 输出功率 | 60W | 60W | 60W | 80W | 80W | 80W |
| 模式质量 | M2<1.2 | M2<1.2 | M2<1.2 | M2<1.2 | M2<1.2 | M2<1.2 |
| 上升时间 | <75?sec | <75?sec | <75?sec | <75?sec | <75?sec | <75?sec |
| 光束直径 | 2.2mm+0.3mm | 2.2mm+0.3mm | 2.2mm+0.3mm | 2.2mm+0.3mm | 2.2mm+0.3mm | 2.2mm+0.3mm |
| 光束发散(全角) | <7.0mrad | <7.0mrad | <7.0mrad | <7.0mrad | <7.0mrad | <7.0mrad |
| 波长 | 9.3?m/10.2?m/10.6?m | 9.3?m/10.2?m/10.6?m | 10.6?m | 9.3?m/10.2?m/10.6?m | 9.3?m/10.2?m/10.6?m | 10.6?m |
| 典型功率稳定性 | +7%/+6% | +7%/+6% | +4%/+2%* | +7%/+6% | +7%/+6% | +4%/+2%* |
| 冷却 | 风冷/风扇 | 水 | 水 | 风冷/风扇 | 水 | 水 |
| 最大热负荷 | 900W | 900W | 900W | 1200W | 1200W | 1200W |
| 输入电压/电流 | 48VDC/18A | 48VDC/18A | 48VDC/18A | 48VDC/22A | 48VDC/22A | 48VDC/22A |
| 外形尺寸 | 571x196x150mm | 544x104x150mm | 544x104x150mm | 571x196x150mm | 2544x104x150mm | 544x104x150mm |
| 重量 | 13.1kg | 11.9kg | 19kg | 13.1kg | 11.9kg | 19kg |
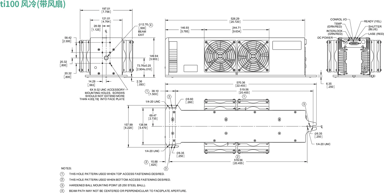
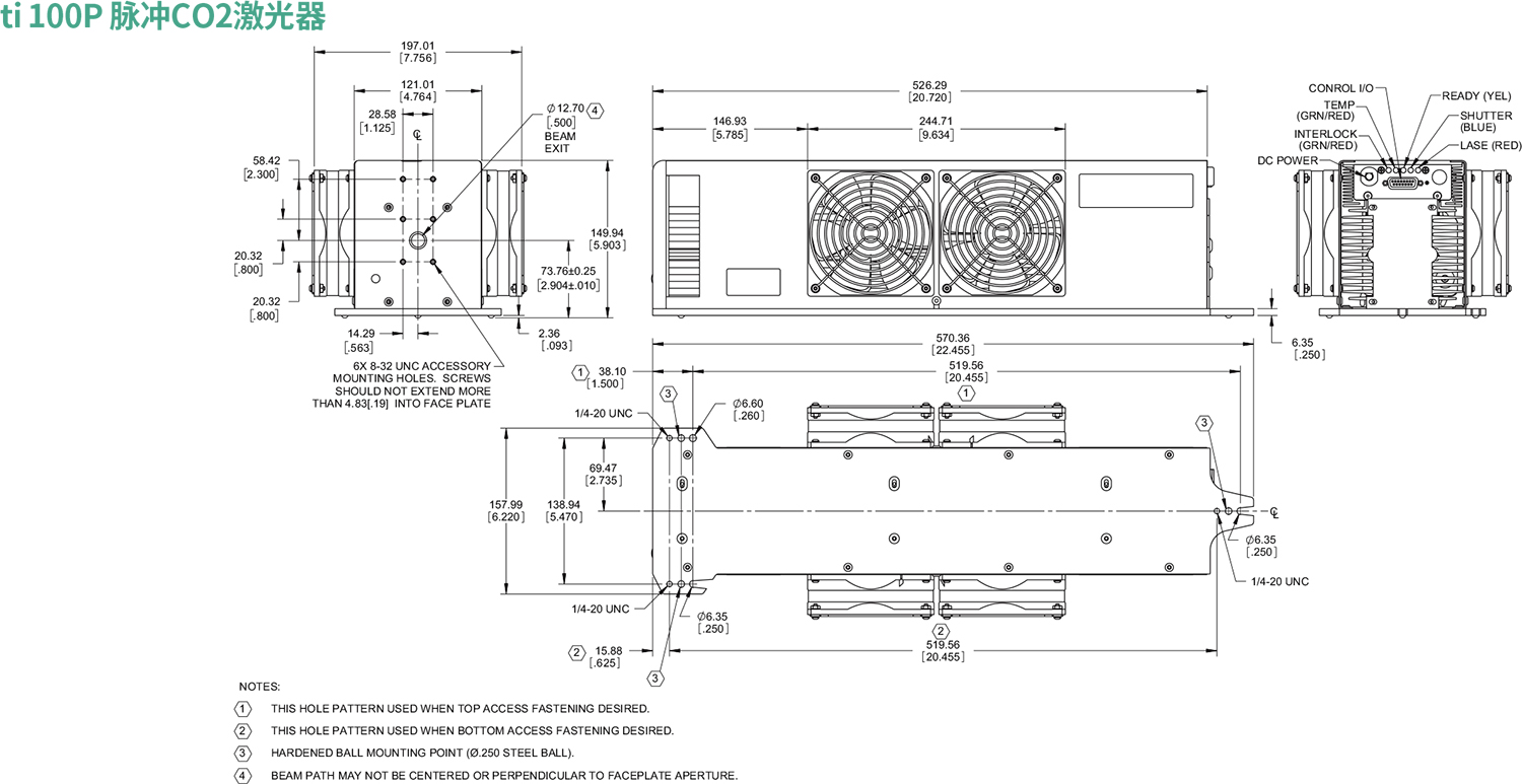
| 型号 | STS-ti100 | STS-ti100W | STS-ti100HS | STS-ti100P |
| 输出功率 | 100W | 100W | 100W | 100W |
| 峰值功率 | 不适用 | 不适用 | 不适用 | 300W |
| 模式质量 | M2<1.2 | M2<1.2 | M2<1.2 | M2<1.2 |
| 上升时间 | <75?sec | <75?sec | <75?sec | <60?sec |
| 光束直径 | 2.0mm+0.3mm | 2.0mm+0.3mm | 2.0mm+0.3mm | 2.0mm+0.3mm |
| 光束发散(全角) | <7.0mrad | < 7.0mrad | <7.0mrad | <7.0mrad |
| 波长 | 9.3/10.2/10.6?m | 9.3/10.2/10.6?m | 9.3/10.2/10.6?m | 9.3/10.2/10.6?m |
| 典型功率稳定性 | +7%/+6% | +7%/+6% | +4%/+2%* | +7%/+6% |
| 冷却 | 风冷/风扇 | 水 | 水 | 水 |
| 最大热负荷 | 1700W | 1700W | 1700W | 1700W |
| 输入电压/电流 | 48VDC/35A | 48 VDC/35A | 48VDC/35A | 48VDC/35A |
| 外形尺寸 | 544x104x150mm | 544x104x150mm | 544x104x150mm | 633x142x150mm |
| 重量 | 14.6kg | 11.9kg | 19kg | 12.1kg |

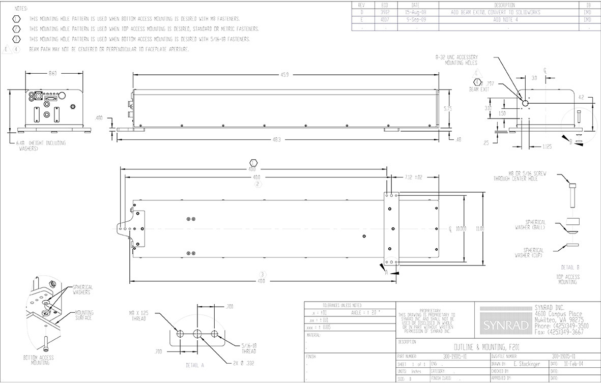
专为切割、射孔和钻孔应用提供经济高效的200W输出。完全集成的激光器/射频设计最大限度地减小了尺寸和重量;非常适合安装在机械臂和高速标记系统上,或完全集成到平板切割系统中。F系列激光器具有完全集成的射频电源和清洁、简单的水冷和控制信号接口,可最大限度地缩短集成时间,同时为系统设计人员、OEM制造商和完整的交钥匙系统供应商提供最大的灵活性。
| 型号 | STS-f201 |
| 输出功率 | >180W@10.2?m, >200W@10.6?m |
| 模式质量 | M2<1.2 |
| 上升时间 | <150?sec |
| 光束直径 | 4.5mm+0.1mm |
| 光束发散(全角) | 4.0mrad+0.2mrad |
| 激光波长 | 10.2?m/10.6?m |
| 功率稳定性 | +7%/+5% |
| 冷却 | 水 |
| 最大热负荷 | 4000W |
| 输入电压/电流 | 96VDC/36A |
| 外形尺寸 | 1166x218x165mm |
| 重量 | 43.5kg |

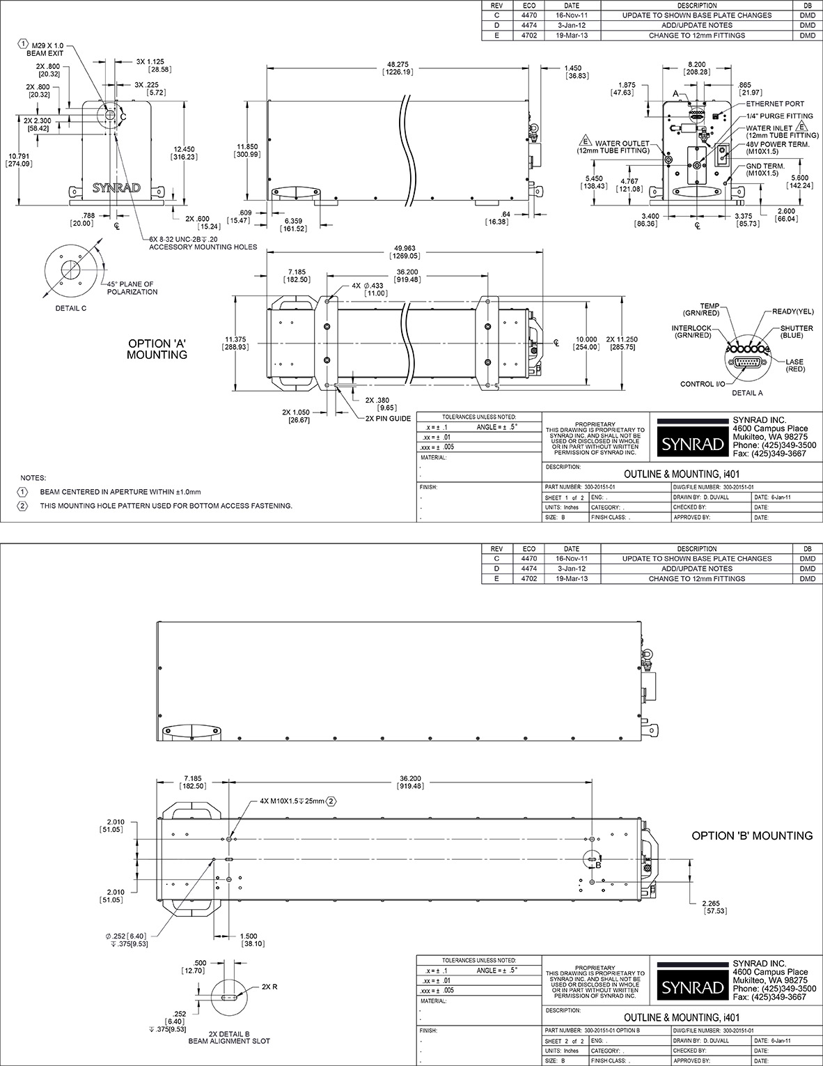
最小最节能的400 W CO2激光器。i系列提供400 W近乎完美的光束质量和45°线性偏振,适用于高精度应用。i系列根据混合波导/非稳谐振器构建而成,具有快速上升/下降时间,同时由四个可更换的集成48 V射频模块驱动。i系列可提供最佳的能源效率,同时具有同类最佳的能效,比其他400 W激光器高出23%。凭借其单管设计,i系列的重量比有竞争力的激光器低24% - 这是安装在移动龙门架系统或机器人运动系统上的一个重要因素。i系列包括一个基于TCP/IP网络的互联网接口,可通过标准网络浏览器访问有关LED和射频?樽刺男畔,包括电压、电流和温度测量,以管理激光器操作并确保最佳性能。内置的气体吹扫端口可轻松连接氮气或CDA吹扫系统,内置机电快门可确保操作员安全,使i系列成为终极OEM激光器。
| 型号 | STS-i401 |
| 输出功率 | 400W |
| 模式质量 | M2<1.2 |
| 上升时间 | <100?sec |
| 光束直径 | 6.0mm+0.6mm |
| 光束发散(全角) | 2.5mrad+0.3mrad |
| 波长 | 10.2?m/10.6?m |
| 功率稳定性 | +7%/+5% |
| 冷却 | 水 |
| 热负荷 | 6000W |
| 输入电压/电流 | 48VDC/125A |
| 外形尺寸 | 1227x208x300mm |
| 重量 | 59kg |

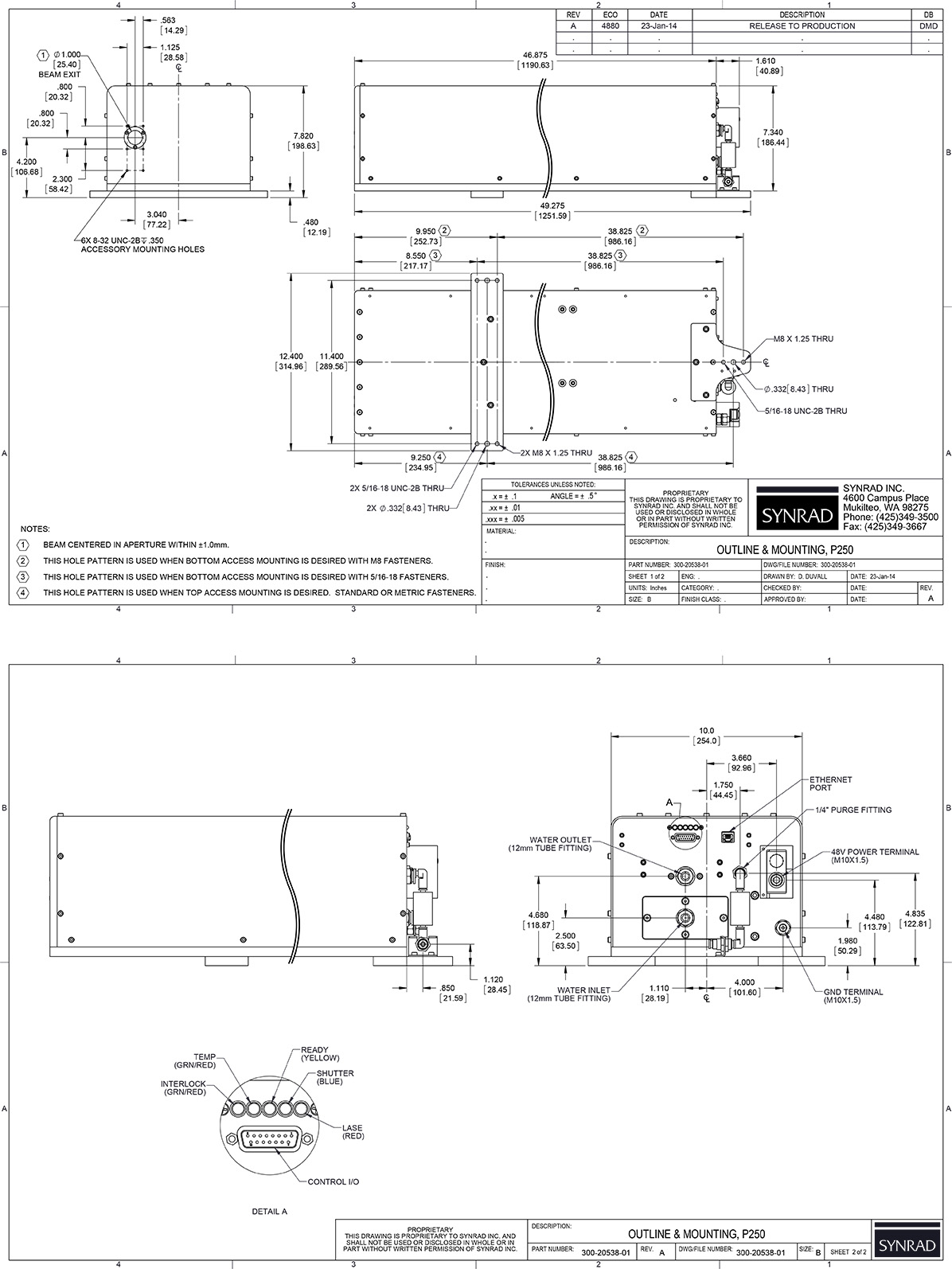
使用Synrad的p系列高性能脉冲CO2激光器,切割速度更快、钻孔完美无瑕、微加工精度高。通过利用脉冲技术多次提供比标准连续波激光功率电平大的峰值脉冲功率电平,p系列将切割、钻孔和射孔应用扩展到更广泛的材料,包括膜、高性能纺织品、某些金属和高科技复合材料。Synrad p系列CO2工业激光器提供近乎完美的光束质量,部分原因在于光圈前的内部光束调节,将光束聚焦到一个窄点以增加激光加工细节。所有型号均专为工业环境而设计,设有内置气体吹扫端口,便于进行现场维修和保护光学窗口。p系列设定了脉冲式CO2激光器在转换、电子和包装等行业的性能标准。
UL系列射频激励二氧化碳激光器是由美国Universal Laser Systems Inc公司制造。美国公司已授权本公司为亚洲区域(包括中国)总代理,为亚洲客户提供售前、售中和售后服务。
目前已有超过三万台激光器在世界各地运行。为客户提供长达12个月的免费保修,省却用户的后顾之忧。价格低廉的OEM型激光器特别适合激光设备制造厂家,如激光切割机、激光雕刻机和激光打标机生产厂家,可以十分方便地将J9九游会的激光器集成到激光设备中。
所有激光器都是风冷激光器,两种结构是OEM基本型、OEM标准型。
OEM基本型是基本结构形式,没有外壳和风扇,特别适合系统/设备制造商使用。
OEM标准型,包含铝制外壳和风扇,特别适合需要将激光器外露的使用场合。
所有激光器包含射频电源、内置触发(internal tickle)和安全连锁。
所有激光器可以连续运行,也可以脉冲运行,脉冲最高频率达5kHz。
根据客户要求可以加装红光指示。
激光输出功率等级为10W、25W、30W、40W、50W、60W、75W、100W、120W和150W。
激光器翻新服务:J9九游会也提供Universal激光器的翻新业务,所有激光器返回到美国工厂翻新,重新充气,电源和光学元器件全部换新,交货快,整个翻新只需10天既可完成。翻新后的激光器就是一台崭新的激光器,但价格远远低于新激光器。
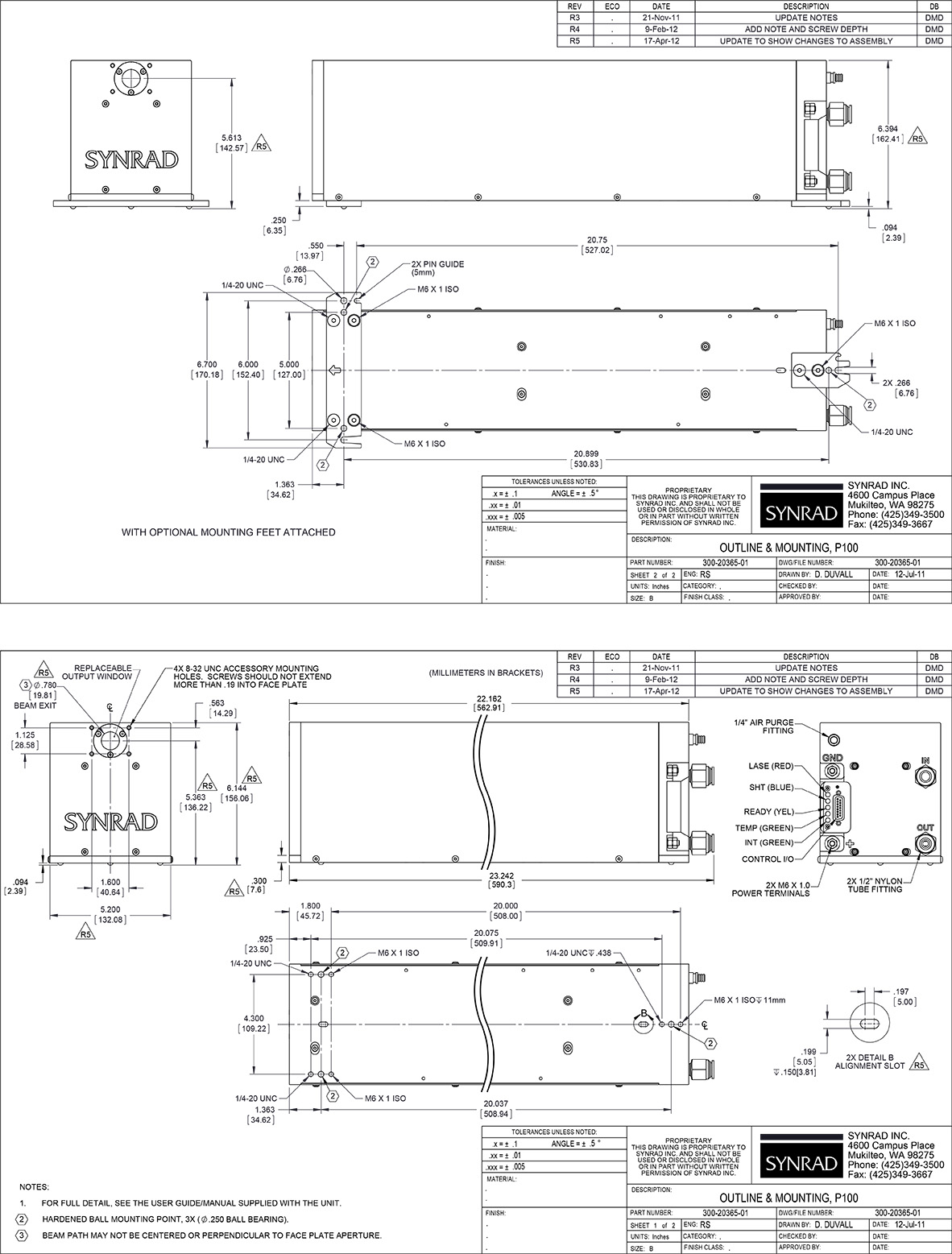
| 型号 | STS-P100 | STS-p150 | STS-p250 | STS-p400 |
| 输出功率 | 100W | 150W | 250 W | 400W |
| 峰值脉冲功率 | 400W | 600W | 800 W | >1.0kW |
| 模式质量 | M2<1.2 | M2<1.2 | M2<1.2 | M2<1.2 |
| 上升/下降时间 | <40/<100?sec | <50/<100?sec | <60/<100?sec | <50/<100 ?sec |
| 束腰直径 | 7.5mm+1.1mm | 8.0mm+1.1mm | 8.0mm+1.1mm | 1) 6.0mm+1.0mm 2) 8.0mm+1.0mm |
| 光束发散(全角) | 1.8mrad+0.4mrad 2.0mrad+0.4mrad | 1.9mrad+0.4mrad | 1.9mrad+0.4mrad | 1) 6mm = 2.5mrad+0.6mrad 2) 8mm = 1.8mrad+0.4mrad |
| 波长 | 10.2?m/10.6?m | 9.3?m/10.2?m/10.6?m | 10.6?m | 10.6?m |
| 功率稳定性 | +7%/+5% | +6%/+3% | +5%/+5% | +7%/+5% |
| 冷却 | 水 | 水 | 水 | 水 |
| 热负荷 | 2000W | 3200W | 4300W | 8.5kW |
| 输入电压/电流 | 48VDC/40A | 48VDC/65A | 48VDC/90A | 48VDC/175A |
| 外形尺寸 | 563x132x155mm | 798x132x155mm | 1252x315x198mm | 1262x208x318mm |
| 重量 | 13.6kg | 18.1kg | 48.5kg | 59.0kg |
| 型号 | CO2-ULR10 | CO2-ULR25 | CO2-ULR30 | CO2-ULR40 | CO2-ULR50 |
| 激光功率 | 10W | 25W | 30W | 40W | 50W |
| 激光波长 | 10.6um | 10.6um | 10.6um | 10.6um | 10.6um |
| 功率稳定性 | ±10% | ±5% | ±5% | ±5% | ±5% |
| 光束质量M2 | 1.4±0.2 | 1.2±0.2 | 1.2±0.2 | 1.2±0.2 | 1.2±0.2 |
| 激光光斑直径 | 4±1mm | 4±1mm | 4±1mm | 4±1mm | 4±1mm |
| 光束发散角(全角) | 5±1mrad | 5±1mrad | 5±1mrad | 5±1mrad | 5±1mrad |
| 光束偏振方式 | 线形 | 线形 | 线形 | 线形 | 线形 |
| 光束方向稳定性 | 200μrad | 200μrad | 200μrad | 200μrad | 200μrad |
| 脉冲上升时间 | 120±40μS | 120±40μS | 120±40μS | 120±40μS | 120±40μS |
| 光学延时 | 38±10us | 38±10us | 38±10us | 38±10us | 38±10us |
| 激光脉冲频率 | 100% 至 5kHz | 100% 至 5kHz | 100% 至 5kHz | 100% 至 5kHz | 100% 至 5kHz |
| 脉冲调制输入信号 | TTL | TTL | TTL | TTL | TTL |
| 重量(基本型/标准型) | 3.3kg/3.9kg | 9.0kg | 9.0kg | 10.4kg | 11.8kg |
| 外形尺寸 (LxWxH, 基本型) | 343x71x98mm | ||||
| 外形尺寸 (LxWxH, 标准型) | 414x89x114mm | 540x133x140mm | 540x133x140mm | 629x133x140mm | 705x133x140mm |
| 工作环境温度 | 10-35oC | 10-35oC | 10-35oC | 10-35oC | 10-35oC |
| 相对湿度 | <90% | <90% | <90% | <90% | <90% |
| 需要直流电源电压 | 48VDC | 48VDC | 48VDC | 48VDC | 48VDC |
| 需要直流电源电流 | 5A | 10A | 10A | 12A | 18A |
| 包装重量 | 6kg | 12kg | 26kg | ||
| 包装尺寸 | 63x23x23cm | 74x31x28cm | 91x31x24cm |
| 型号 | CO2-ULR60 | CO2-ULR-75 | CO2-ULCR100 | CO2-ULCR120 | CO2-ULCR150 |
| 激光功率 | 60W | 75W | 100W | 120W | 150W |
| 激光波长 | 10.6um | 10.6um | 10.6um | 10.6um | 10.6um |
| 功率稳定性 | ±5% | ±5% | ±5% | ±5% | ±5% |
| 光束质量M2 | 1.2±0.2 | 1.2±0.2 | 1.2±0.2 | 1.2±0.2 | 1.2±0.2 |
| 激光光斑直径 | 4±1mm | 4±1mm | 4±1mm | 4±1mm | 4±1mm |
| 光束发散角(全角) | 5±1mrad | 5±1mrad | 5±1mrad | 5±1mrad | 5±1mrad |
| 光束偏振方式 | 线形 | 线形 | 任意 | 任意 | 任意 |
| 光束方向稳定性 | 200μrad | 200μrad | 200μrad | 200μrad | 200μrad |
| 脉冲上升时间 | 120±40μS | 120±40μS | 120±40μS | 120±40μS | 120±40μS |
| 光学延时 | 38±10us | 38±10us | 38±10us | 38±10us | 38±10us |
| 激光脉冲频率 | 100% 至 5kHz | 100% 至 5kHz | 100% 至 5kHz | 100% 至 5kHz | 100% 至 5kHz |
| 脉冲调制输入信号 | TTL | TTL | TTL | TTL | TTL |
| 冷却方式 | 风冷 | 风冷 | 风冷 | 风冷/水冷 | 风冷/水冷 |
| 重量(标准型) | 11.8kg | 14kg | 36.7kg | 36.7kg | 43kg |
| 外形尺寸 (LxWxH, 标准型) | 705x133x140mm | 864x133x138mm | 865x250x192mm | 865x250x192mm | 1016x250x192mm |
| 工作环境温度 | 10-35oC | 10-35oC | 10-35oC | 10-35oC | 10-35oC |
| 相对湿度 | <90% | <90% | <90% | <90% | <90% |
| 需要直流电源电压 | 48VDC | 48VDC | 48VDC | 48VDC | 48VDC |
| 需要直流电源电流 | 18A | 20A | 36A | 36A | 40A |
| 包装重量 | 26kg | 66kg | 64kg | 64kg | |
| 包装尺寸 | 91x31x24cm | 104x51x51cm | 104x51x51cm | 104x51x51cm |
输出光束形式说明:90度拐弯输出是穿过底板向下输出激光束。
激光束光斑形状:在焦点上是圆形的,离焦后带点椭圆形。
上一个产品
下一个产品