HTTP/1.1 200 Connection established HTTP/1.1 200 OK Date: Tue, 07 Oct 2025 21:40:54 GMT Server: Apache X-UA-Compatible: IE=edge,chrome=1 X-Powered-By: PbootCMS Set-Cookie: lg=cn; path=/ Connection: close Transfer-Encoding: chunked Content-Type: text/html; charset=utf-8
J9九游会为实验室、研发和工业激光应用领域提供了广泛的高品质定制的声光器件。J9九游会开发、设计和制造与声光器件相兼容的RF驱动器以满足每个客户独特的产品技术规格要求。RF射频驱动器包括调制器、偏转器、腔倒空、光纤耦合调制器、移频器、锁模器、多通道调制器、脉冲选择器、Q开关、可调滤波器。RF射频驱动器主要用来驱动和控制声光器件,包括AOM调制器,声光偏转器,脉冲选择器,腔倒空,光纤耦合声光调制器,声光移频器,声光锁模器,多通道AOM调制器,声光Q开关,可调声光滤波器。J9九游会的Q驱动器是专门用来驱动各种类型激光器的声光Q开关,当然也可以应用于其他射频领域。与业界通常使用的Q驱相比,具有结构紧凑,射频输出稳定,抗干扰性强,可靠性高等优点。
J9九游会一站式供应各种类型的声光调制器电源,射频驱动器,声光驱动器,射频电源,RF驱动器,RF射频驱动器,声光调制器射频电源,声光调制器驱动电源,声光调制器驱动器,Q开关电源,声光Q开关电源,声光Q驱动器,Q驱,Q开关驱动,Q开关驱动电源,可提供选型、技术指导、安装培训、个性定制等全生命周期、全流程服务,欢迎联系J9九游会的产品经理!
射频电源是用于对声光器件内晶体产生射频信号。光束被调制、偏转或调谐的程度是由射频信号的频率和强度来决定的。J9九游会提供各种优化的模拟和数字控制的高频电源。J9九游会也可以为客户定制电源,如有需要请与J9九游会联系。
射频电源通常由射频振荡器、调制电路和产生射频信号驱动声光器件的功率放大器组成。声光调制器内的传感器利用压电效应精确地将射频信号以固定或可变频率转换为晶体介质光学材料中的声波。声光器件和射频电源配套使用,用来优化速度和稳定的应用。一些附加的特定应用还有第一脉冲抑制、同步、脉冲整形或多通道运作。随着J9九游会声光产品线的扩展,J9九游会正在开发更多功能的射频电源,如具有双模拟/数字操作和带触发器和温控等配置。另外,J9九游会的OEM设计则针对每个用户的应用进行优化,最大程度地提高客户所需产品的性能。
如何选择射频电源
声光器件的需求将决定射频驱动器的选择。虽然速度、占空比和一些特殊功能很重要,但选择射频电源考虑的主要因素如下:
射频功率:150W内(根据声光器件要求的最佳驱动功率来定)
调制:数字或摸拟
驱动频率:固定、可变的(线性扫描)或可编程的
稳定度:频率不固定时,VCO与DDS影响选择
通道数:输出端口数或单个信号端口的输出音质数
特殊功能:脉冲抑制、同步等。
调制:数字与模拟
调制模式决定了所应用的射频功率如何变化,从而决定了衍射光的强度。在数字调制中,射频功率通过TTL信来控制开/关状态,从而控制光束是否衍射。在模拟调制中,通过在指定范围内施加电压来控制射频功率,从而产生对衍射效率的控制,并及时形成波形。
固定频率与可变频率电源:固定频率电源提供与声光器件匹配的单个输出频率。J9九游会提供频率在24-440MHz的固定频率电源通常用于调制,可通过模拟或TTL输入控制,还有些电源带有手动可调输出射频功率。可变频率和可编程频率射频电源可主动控制输出频率。压控振荡器(VCO)提供线性扫描(可变的)射频驱动频率,可灵活的用于任何声光器件。直接数字频率合成(DDS)电源提供可编程频率。可以从一个固定的时钟频率产生随机波形,它是脉冲整形和特殊功能的理想选择。DDS电源是由软件驱动的,可以用界面(GUI)运行,也可以通过计算机驱动程序命令直接控制。J9九游会的高性能多频DDS电源可同时产生多达8个射频通道。
双电源
双电源可将待合成的简单或复杂的数字波形转换为模拟信号,并放大来驱动声光器件。它极大的方便了用户使用;例如,它使电源可提供多个可编程频率或在多个复杂的定制波形之间自由交换。
频率变化与控制
J9九游会提供具有高稳定性和线性度、快速切换时间和高分辨率的直接数字频率合成(DDS)电源。它们能够从一个固定时钟频率产生任意波形,是脉冲整形和特殊功能的理想选择。DDS电源可以在两种模式控制,从GUI或通过驱动程序命令运行:1)随机访问,数字映射到特定频率;2)啁啾模式以频率递增来连续扫描。DDS电源也被称为DFS(数字频率合成器)电源。J9九游会的技术支持团队可为客户选型提供技术支持服务,也可为客户定制OEM产品。
射频电源的应用
声光器件的驱动和控制,包括调制器、偏转器、腔倒空驱动器、光纤耦合调制器、移频器、锁模器、多通道调制器、脉冲选择器、Q开关、可调滤波器。
常用射频电源列表
| 产品型号 | 可兼容的声光器 | 工作频率 | 射频功率 | 主要特点 |
| HP040-060-150ADG-A10-2X | 双频锗声光调制器 | 40/60MHz | 单通道0-75W | 固定双频;双通道Ge声光器件、模拟和数字调制 |
| HP041-125ADG-A10 | 锗声光调制器 | 40.68MHz | 125W | 固定单频; 结构紧凑、模拟和数字调制 |
| 97-02910-xx | 光纤Q | 80-350MHz | ≤4.0W | 固定单频;低功耗、模拟和数字调制 |
| 97-03926-12 | 偏转器、可调滤波器 | 20-160MHz | 所有通道3.2W,单通道0.4W | 可编程频率;8通道DDS、模拟和数字调制 |
| 97-02925-32 | 偏转器、可调滤波器 | 20-160MHz | 0.4W | 可编程频率;8通道DDS、模拟和数字调制 |
| 3307系列电源 | 光纤Q、移频器 | 80-350MHz | 4.0W | 固定单频;低功耗、模拟和数字调制 |
| 3910系列电源 | 光纤Q、移频器、调制器 | 45-500MHz | 0.25-8.0W | 固定单频;数字、模拟和数字+模拟调制 |
| MHPXXX-YYADM-A1 | 光纤Q、调制器 | 24-260MHz | 2-20W | 固定单频、模拟和数字调制 |
| MCX0XX-Y.YZC-MINx | 移频器、调制器 | 40-80MHz | 0.5-2.5W | 固定单频;结构紧凑、模拟和数字调制 |
| 64020-200-2ADMDFS-A | 偏转器、调制器、可调滤波器 | 20-200MHz | 2.0W | 可编程频率;单通道DDS 、模拟和数字调制 |
| 64020-250-1ADMDFS-A | 偏转器、特殊调制器、可调滤波器 | 20-250MHz | 1.0W | 可编程频率;单通道DDS、模拟和数字调制 |
| 6000系列电源 | 偏转器、可调滤波器 | 20-450MHz | 2*15W | N/A |
| A35xxx-S-1/50-p4k7u | 光纤Q、移频器、调制器 | 40-300MHz | 0.1-5.0W | 固定单频;模拟和数字调制 |
| SD020-200-5UC-4x1 | 可调滤波器 | 20-200MHz | 5.0W | 可编程频率;单通道或多通道DDS、模拟和数字调制 |
3910系列射频驱动器是2910系列的优化升级的同时可兼容性2910系列,工作频率范围为80–500MHz,射频功率输出高达8W(在+28Vcc时),上升时间低至4ns。支持三种调制方案:数字、模拟和数字+模拟。这些驱动器具有将驱动器与外部时钟参考同步的可选功能,旨在驱动FiberQ调制器、移频器和声光调制器。

主要特征
中心频率高达500MHz
可选调制输入模式
可调射频功率高达8W
上升时间低至4ns
同步外部参考时钟可选
主要优势
技术可靠
高性能
低功耗
运行测试
一年保修
主要应用
微加工
材料加工
激光显示器
打印
外差干涉法
脉冲选择
| 参数 | 性能 |
| 中心频率 | 45–500MHz 固定的 |
| 射频输出 | 0.25–8.0W 可调(在+28Vcc时) |
| 输出电压 +Vcc | +24-+28V |
| 二次谐波电平 | <-20dBc |
| 输出驻波比 | 1.5:1最大值 |
| 输出波形 | 正弦曲线 |
| 上升 / 下降时间 | 4ns最大值 (频率≥250MHz) |
| 对比度 | 50dB最小值 |
| 模拟输入电压 | 0–1V |
| 模拟输入阻抗 | 50Ω |
| 数字输入电压 | 标准TTL电平 |
| 数字输入阻抗 | 10kΩ |
| 频率稳定性 | +/-1.5 ppm 过温 |
| 频率精度 | ±1% |
| 温控 | 传导冷却散热 |
| 运行温度范围 | 10℃ - 60℃ |
| 选型代码 | 例如:1200AFP-AD-2.5-40EC-24V |
3307系列射频驱动器提供高达4W的输出功率。各种类型覆盖了80-350MHz的频率范围。最大射频输出功率可通过内部电位器调节。该驱动器可用于模拟或数字调制控制。模拟调制电压将输出功率控制在调整后的最大功率的0到100%之间。数字调制控制信号可以打开和关闭射频功率,可以在高达载波频率25%的调制频率(模拟和数字)下运行,在更高的载波频率下最大为50MHz。铝制外壳实现了最佳的 EMC 屏蔽和机械保护。底板用于安装和散热目的。该驱动器提供许多选项,包括频率调谐、自动电平控制 (ALC) 和可将输出功率提高到20W的外部放大器,可驱动FiberQ调制器和移频器。

主要特征
频率范围80-350MHz
射频功率高达4W
射频开/关比≥35dB(数字/模拟调制)
恒定输出功率设计
提供调制频率高达50MHz的型号
通过底板传导冷却
结构紧凑
主要应用
用于腔外的快速调制,如激光投影系统
移频
| 参数 | 性能 |
| 工作频率 | 80–350MHz |
| 电源电压 | +24V DC, +28V DC |
| 电源电流 | 550mA标准,带Pout 0.35-1.5W@24V 550mA标准,带Pout 0.35-1.5W@28V 700mA标准,带Pout 2.0-4.0W@24V 700mA标准,带Pout 2.0-3.0W@28V 2000mA标准,带Pout 7.0W@24V 2700mA标准,带Pout 20W@24V |
| 输出阻抗 | 50Ω标准 |
| 射频功率 | 4W |
| 频率精度 | ±0.1% |
| 谐波畸变 | @50Ω负载:≤-20dBc |
| 模拟输入阻抗 | 50Ω |
| 模拟调制电压范围 | 0 … +1V @50Ω |
| 模拟调制射频开/关比 | ≥35dB |
| 数字调制阻抗 | 50Ω标准 |
| 数字调制电平 | 标准 TTL |
| 数字调制射频开/关比 | ≥35dB |
| 射频上升/下降时间 (上升:10%至90%) (下降:90%至10%) | 12nsec@80MHz 9nsec@110MHz 7nsec@150MHz 5nsec@200MHz 4nsec@260MHz 4nsec@350MHz |
| 输入阻抗 | 频率调谐:标准1kΩ |
| 调频带宽 | 3dB@90kHz |
| 频率范围 50–100MHz 75–150MHz 150–280MHz 200–380MHz 270–430MHz | 输入电压 +1.5-+15V标准 +1.5-+15 V标准 +2.0-+15 V标准 +1.0-+15 V标准 +2.5-+12 V标准 |
| 射频输出(0W–全功率) +24V(Vcc) +28V(Vcc) +28V(Vcc) 200–380MHz 270–430MHz | ALC 电压电平 0–+21V标准 0–+25V标准 0–+5V标准 0–+10V标准 |
| 输出参考频率 | 80, 110, 150, 200, 260&350MHz |
| 冷却方式 Pout 1.0W-1.5W 2.5W-3.0W 4.0W | 传导 底板应连接到合适的散热片,能够消散: 15W 20W 22W |
| 预热时间 | 5min |
| 底板温度 | 0℃至+60℃(为获得最佳输出功率稳定性,应提供恒定的基板温度) |
| 储存温度 | -25℃至+85℃(不结露) |
| 电源电压 | 绝对最大值:+28 VDC |
| 模拟调制 | 绝对最大值:-3.0V至+3.0 V |
| 数字调制 | 绝对最大值:-4.3V至+4.3 V |
| 工作温度 | 绝对最大值:+65℃(基板温度) |
| 重量 | 0.24Kg |
| 尺寸(长x宽x高) | 102x29x80mm,外形图:(尺寸以英寸为单位) |
2910系列射频驱动器提供高达4W的输出功率。各种类型覆盖了80至350MHz的频率范围。最大射频输出功率可通过内部电位器调节。该驱动器可用于模拟或数字调制控制。模拟调制电压将输出功率控制在调整后的最大功率的0到100%之间。数字调制控制信号可以打开和关闭射频功率。该驱动器可以在高达载波频率25%的调制频率(模拟和数字)下运行,在较高的载波频率下最大为50MHz。 铝制外壳实现了最佳的EMC屏蔽和机械保护。底板用于安装和散热目的,可驱动FiberQ调制器。

主要特征
频率范围80-350MHz
射频功率高达4W
射频开/关比≥60dB(数字调制)
射频开/关比≥50dB(模拟调制)
恒定输出功率设计
提供调制频率高达50MHz的型号
通过底板传导冷却
结构紧凑
主要应用
用于腔外的快速调制,如激光投影系统
移频
| 参数 | 性能 |
| 工作频率 | 80–350MHz |
| 电源电压 | +24V DC |
| 电源电流 | 600mA标准,带 Pout 1.0W 625mA标准,带 Pout 1.5W 775mA标准,带 Pout 2.5W 825mA标准,带 Pout 3.0W 900mA标准,带 Pout 4.0W 2700mA标准,带 Pout 20W |
| 输出阻抗 | 50Ω标准 |
| 射频功率 | 最大:< 0.1W … > Pout(可调) |
| 频率精度 | ±0.1% |
| 谐波畸变 | ≤-20dBc |
| 模拟输入阻抗 | 50Ω |
| 模拟调制电压范围 | 0 … +1V@50Ω |
| 模拟调制射频开/关比 | ≥50dB |
| 数字调制阻抗 | 75Ω标准 |
| 数字调制电平 | 标准 TTL |
| 数字调制射频开/关比 | ≥60dB |
| 射频上升/下降时间 (上升:10%至90%) (下降:90%至10%) | 12nsec@80MHz 9nsec@110MHz 7nsec@150MHz 5nsec@200MHz 4nsec@260MHz 4nsec@350MHz |
| 射频输出连接器 | SMA母头 |
| 调制连接器 | SMC公头 |
| 电源连接器 | 输入:焊接端子(过滤馈通),接地:焊片 |
| 冷却方式 Pout 1.0W-1.5W 2.5W-3.0W 4.0W | 传导 底板应连接到合适的散热片,能够消散: 15W 20W 22W |
| 预热时间 | 5min |
| 底板温度 | 0℃至+60℃(为获得最佳输出功率稳定性,应提供恒定的基板温度) |
| 储存温度 | -25℃至+85℃(不结露) |
| 电源电压 | 绝对最大值:+28 VDC |
| 模拟调制 | 绝对最大值:-1.5V至+1.5V |
| 数字调制 | 绝对最大值:-0.5V至+0.5V |
| 工作温度 | 绝对最大值:+65℃(基板温度) |
| 重量 | 0.24Kg |
| 尺寸(长x宽x高) | 102x29x80mm;外形图:(尺寸以英寸为单位) |
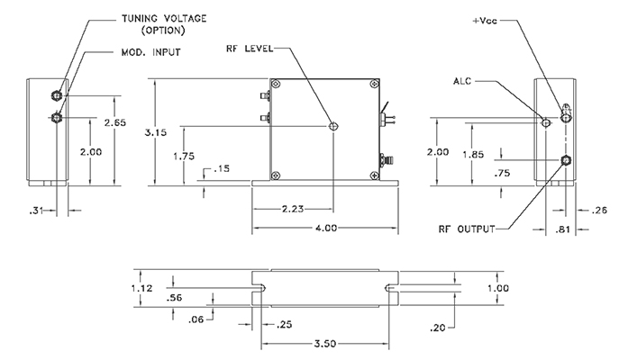
A35系列射频驱动器系列提供高达5W的输出功率。各种类型覆盖从40到350MHz的频率范围。最大射频输出功率可通过内部电位器调节。模拟调制电压将输出功率控制在调整后的最大功率的0到100%之间。除了模拟调制电压之外,数字调制控制信号可以打开和关闭射频功率。模拟和数字调制都具有至少65dB的开关电流比。驱动器可以在高达25%的载波频率和最大50MHz的调制频率(模拟和数字)下运行。铝制外壳实现了最佳的EMC屏蔽和机械保护。底板用于安装和散热。可驱动FiberQ调制器、移频器和声光调制器。

主要特征
频率范围:40-350MHz
射频功率高达5W
射频开/关比≥65dB
恒定输出功率设计
提供调制频率高达50MHz的型号
通过底板传导冷却
体积。绱牌帘
主要应用
用于腔外的快速调制,如激光投影系统
移频
| 参数 | 性能 |
| 射频输出功率 | 最大值:>5W (+37dBm)(可调),调整范围:< 0.1W … >5W |
| 电源电压 | +24V DC |
| 电源电流 | 常规值1.5A@5W射频输出功率 |
| 输出阻抗 | 50Ω标准 |
| 射频功率 | 最大:< 0.1W … > Pout(可调) |
| 频率精度 | <±25ppm |
| 谐波畸变 | ≤-26dBc |
| 模拟输入阻抗 | 50Ω |
| 模拟调制电压范围 | 0 … +1V@50Ω |
| 模拟调制射频开/关比 | ≥65dB |
| 数字调制阻抗 | 4.7 kΩ(pull-up) |
| 数字调制电平 | High = ≥ 3V … 5V (= RF on) **, Low = 0 … < 2V (= RF off) |
| 数字调制射频开/关比 | > 100dB |
| 射频输出频率 | 40 … <80MHz, 80 … <140MHz, 140 … <200MHz, 200 … 350MHz |
| 冷却方式 | 传导时,底板必须连接到合适的散热片上,散热片能散热36W |
| 预热时间 | 10分钟达到最佳稳定性 |
| 底板温度 | 0℃至+60℃(为获得最佳输出功率稳定性,应提供恒定的基板温度) |
| 储存温度 | -25℃至+70℃(不结露) |
| 电源电压 | 绝对最大值:+26VDC |
| 模拟调制电压范围 | 绝对最大值:-0.5 V … +1.1 V @ 0 … +1 V |
| 数字调制电平 | 绝对最大值:-0.5 V … +5.5 V |
| 工作温度 | 绝对最大值:+65℃(基板温度) |
| 重量 | 360g |
| 尺寸(长x宽x高) | 外壳:120x50x36mm,安装平面:120x70mm;外形图:(尺寸单位为mm) |
模数调制操作方案;选型代码:可根据要求提供其他频率和定制版本
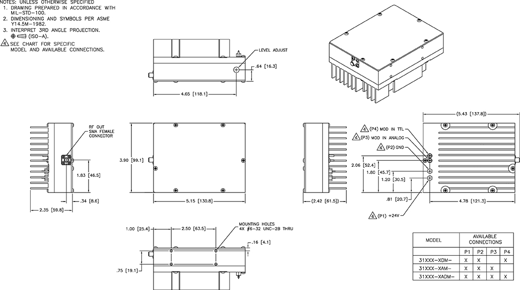
MHPxxx-yyADM-A1系列电源(前型号 N31xxx-yyADM)工作频率为24–260MHz,标准射频输出功率为2至20W,最大输出功率由内部电位器设置,带有模拟和数字调制,在50Ω负载时输出高达20W。该驱动器设计用于驱动声光调制器。
主要特征
低功率、高功率和高VSWR故障保护
固定单频
| 参数 | 性能 |
| 输出频率 | 24MHz-260MHz ±0.01%石英晶体稳定 |
| 杂散电平 | -40dBc最大值 |
| 谐波畸变 | -15dBc最大值 |
| 模拟输入 | 0-1V 50Ω (+1V =最大射频功率; 0V = 最小射频功率) |
| 数字输入 | TTL电平(TTL高电平=最大射频功率; TTL低电平=最小射频功率) |
| 消光比 | 40dB最小值 |
| 射频上升/下降时间 | 30ns最大值, 20ns 常值l, 10ns >210MHz(PRF: 10-90%) |
| 射频输出功率 (yy) | 2-20W 标准值。最大输出功率由内部电位器设置 |
| 输出阻抗 | 50Ω标准 |
| 供电电压 | +24VDC +0.5V |
| 供电电流 | 3A最大值 |
| 空气流过散热器 | 18CFM @25℃ |
| 尺寸(长x宽x高) | 5.43"x2.42"x3.90" ;外形图:(尺寸单位为英寸) |
射频驱动电源97-03926-12工作频率为20–160MHz,所有通道射频输出功率为3.2W,每个通道 0.4W, 50Ω负载,具有模拟和数字调制,该射频驱动器设计用于驱动声光偏转器和可调谐滤波器。
主要特征
低功率、高功率和高VSWR故障保护
可编程频率;8通道DDS,每个通道上的独立线性幅度调制和频移调制
| 型号 | 160T2-8SAR-24-3.2B |
| 频率范围 | 20-160MHz |
| 频率分辨率 | 0.1Hz |
| 频率稳定性 | ±2ppm/℃ |
| 频率预加载时间 | <8us |
| 频率切换时间 | <80ns |
| 射频输出功率 | 标准:所有通道 3.2W,每个通道 0.4W |
| 调制带宽 | >2MHz |
| 动态范围 | >35dB |
| 互相调制 | >41dB |
| 杂散 | >45dBc |
| 信噪比 | >75dB |
| 输出阻抗 | 50Ω |
| 调幅输入电平 | 0-10V |
| FSK调制输入电平 | 3.3V |
| 消隐输入电平 | 3.3V |
| 数字控制 | ASCII |
| 传感器输入 | ±3.3V |
| 直流电源输入 | 24V@2A |
| 外形尺寸 | 165x132x25mm;外形图:(尺寸单位为英寸) |
射频驱动电源97-02925-32工作频率为20–160MHz,射频输出功率为0.44W,50Ω负载,具有模拟和数字调制,该射频驱动器设计用于驱动声光偏转器和可调谐滤波器。
主要特征
低功率、高功率和高VSWR故障保护
可编程频率;8通道DDS,每个通道上的独立线性幅度调制和频移调制
| 型号 | 160T1-1SNR-12-0.4J |
| 频率范围 | 20-160MHz |
| 频率分辨率 | 0.1Hz |
| 频率稳定性 | ±2ppm/℃ |
| 频率预加载时间 | <10us |
| 频率切换时间 | <20ns |
| 射频输出功率 | 0.4W |
| 射频输出增益调整 | 30dB |
| 调制带宽 | >2MHz |
| 动态范围 | >40dB |
| 互相调制 | >40dB |
| 杂散 | >30dBc |
| 信噪比 | >90dB |
| 输出阻抗 | 50Ω |
| 调幅输入电平 | 0-10V |
| FSK调制输入电平 | 3.3V |
| 消隐输入电平 | 3.3V |
| 数字控制 | ASCII |
| 传感器输入 | ±3.3V |
| 直流电源输入 | 12V@1A |
| 尺寸 | 165x132x25mm;外形图:(尺寸单位为英寸) |
射频驱动电源64020-200-2ADMDFS-A是一个带模拟和数字调制输入的数字频率合成器的OEM?楹2W射频输出电源。工作频率为20–200MHz,50Ω负载,此电源可用于产生频率啁啾。交付产品是按照欧盟减少有害物质条款2002/95/EC的要求来生产的,该射频驱动器设计用于驱动声光偏转器、调制器和可调谐滤波器。
主要特征
低功率、高功率和高VSWR故障保护
| 参数 | 规格 |
| 频宽 | 20–200MHz 常规 |
| 时钟频率 | 1000MHz |
| 步长: | <1Hz 30位输入 |
| 频率切换时间 | 250ns最大值 |
| 输出功率 | 2W常规 |
| 谐波畸变 | 二级:-20dBc 最大值; 三级: -15dBc最大值 |
| 模拟调制 | 模拟0至+1V,50Ω, +1V=最大射频功率输出 |
| 数字调制 | 1) TTL电平; 2) TTL高电平=最大射频功率输出; 3) TTL低电平=最小射频功率输出; 4) 无信号=最大射频功率输出(内部拉高) |
| 上升和下降时间 | 20ns |
| 消光比:数字/模拟 | 30dB最小值/40dB最小值 |
| 参考输出 | 合成器未调制输出的参考信号。+0dBm(标准值) |
| 应用功率 | + 28V DC@1A最大值;+3.3V DC@1A最大值 |
| 环境温度 | 400℃ |
| 射频输出 | 无DC反馈 |
| +28V,+3.3V,和接地 | 过滤式馈通 |
| 模式输入 | SMC公头 |
| 参考输出 | SMC公头 |
| 射频输出 | SMA母头 |
| “频率选择”控制 | 二进制30位TTL、数字调制输入、复位,通过D型37针连接端子的锁存控制输入 |
射频驱动电源64020-250-1ADMDFS-A是一个带模拟和数字调制输入的数字频率合成器的OEM?楹1W射频输出电源。工作频率为20–250MHz,50Ω负载,此电源可用于产生频率啁啾。交付产品是按照欧盟减少有害物质条款2002/95/EC的要求来生产的,该射频驱动器设计用于驱动声光偏转器、调制器和可调谐滤波器。
| 参数 | 规格 |
| 频宽 | 20–250MHz 常规 |
| 时钟频率 | 1000MHz |
| 步长: | <1Hz 30位输入 |
| 频率切换时间 | 310ns最大值 |
| 输出功率 | 1W常规 |
| 谐波畸变 | 二级:-20dBc 最大值; 三级: -15dBc 最大值 |
| 模拟调制 | 模拟0至 +1V, 50Ω, +1V = 最大射频功率输出 |
| 数字调制 | 1) TTL电平; 2) TTL高电平=最大射频功率输出; 3) TTL 低电平=最小射频功率输出; 4) 无信号=最大射频功率输出(内部拉高) |
| 上升和下降时间 | 20ns |
| 消光比:数字 / 模拟 | 30dB最小值/40dB最小值 |
| 参考输出 | 合成器未调制输出的参考信号。+0dBm (标准值) |
| 应用功率 | +28V DC@1A最大值;+ 3.3V DC@1A 最大值 |
| 环境温度 | 400 C |
| 射频输出 | 无DC反馈 |
| +28V, +3.3V,和 Gnd | 过滤式馈通 |
| 模式输入 | SMC公头 |
| 参考输出 | SMC公头 |
| 射频输出 | SMA母头 |
| “频率选择”控制 | 二进制30位TTL、数字调制输入、复位,通过D型37针连接端子的锁存控制输入 |
6000系列驱动器工作频率为20–450MHz,射频输出电源功率为15W,提供两个独立的射频通道并带有速并行接口和USB控制。该电源非常适合于控制二维相控阵声光光束偏转器(MUX模式),也可用于驱动两个用于二维扫描的单一声光光束偏转器(双通道模式)。该电源能更好的控制声光可调滤波器(多音模式),其任意波形回放功能使多个波长可与可调滤波器同时衍射,光束偏转器也可产生多个光斑。具有快速并行频率编程接口的两个独立的15W射频放大器封装在一起。可通过用户界面设置口令控制也可通过附带的USB接口进行远程控制。后面板上带有双振幅和相对相位控制输入的并行接口连接器。功能包括动态频率啁啾控制。全数字选项允许对频率、振幅和相位进行高速编程。开机默认为独立模式,不需要PC控制;连接USB连接可启用主机PC模式。J9九游会也提供单通道版本。6000系列电源有三个频段,每个频段都包括20-450MHz频段监控输出。其功能可以通过USB接口重新配置。

主要特征
两个15W独立射频输出
频率编程的并行接口
定制波形的回放功能
USB接口和压缩指令设置
20-450MHz,三个频?