J9九游会

激光器声光器件和电光器件光学元器件激光配件激光仪器与工具场景化方案中心
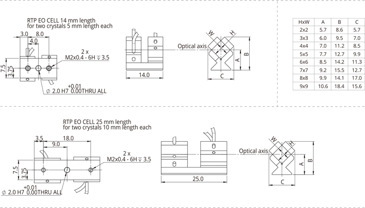
飞马系列LiNbO3普克尔盒
Impact系列普克尔盒
Chiron系列普克尔盒
IRX系列普克尔盒
QX1014A短路径普克尔盒
TX系列普克尔盒
飞马系列LiNbO3普克尔盒
Impact系列普克尔盒
Chiron系列普克尔盒
IRX系列普克尔盒
QX1014A短路径普克尔盒
TX系列普克尔盒

普克尔盒,电光Q开关

时间:2020-05-18 类别:声光器件和电光器件 关注:20519

固体激光器最理想的光开关,为激光应用提供可靠和稳定的性能

普克尔盒是通过外加电压引起电光晶体双折射的变化来改变光的偏振态。J9九游会提供工业标准QX系列,经济型的IMPACT系列,大孔径的TX普克尔盒。这些KD * P,KTP和BBO晶体的普克尔盒广泛用于激光腔的调Q,锁模激光器的腔倒空,高重频再生放大器控制和光学斩波器中。RTP属于KTP晶体家族,是500~3000nm光谱范围内的最佳材料,RTP的出色光电性能以及高损伤阈值使其可用于许多领域的高功率激光应用:医疗,工业,国防等。

J9九游会一站式供应各种类型的电光Q开关,普克尔盒,电光调Q开关,电光调制盒,Q开关,EOM,电光调制器,KDP电光Q开关,KDP普克尔盒,BBO电光Q开关,BBO普克尔盒,CdTe电光Q开关,铌酸锂电光调制器,强度调制器,相位调制器,可提供选型、技术指导、安装培训、个性定制等全生命周期、全流程服务,欢迎联系J9九游会的产品经理!

联系J9九游会快速获取产品选型、最新报价和解决方案
罗经理 手机|微信: 18162698939 座机: 027-51858939
夏经理 手机|微信: 13697356016 座机: 027-51858958
产品系列
激光器
声光器件和电光器件
光学元器件
激光配件
激光仪器与工具
产品经理信息

普克尔盒也叫普克尔斯盒,是一种由电光晶体(附有一些电极)组成的装置,光束可以通过它传播。晶体中的相位延迟(→ 普克尔斯效应)可以通过施加可变电压来调制。因此,普克尔盒充当电压控制波片。普克尔盒是电光调制器的基本组件,例如用于调Q激光器。它的原理就是克尔电光效应,即放在电场中的晶体,由于其分子受到电力的作用而发生取向(偏转),呈现各向异性,结果产生双折射,即沿两个不同方向物质对光的折射能力有所不同。普克尔盒一般用来做电光调制器,电光调制器是一套系统,需要普克尔盒加上驱动电源,根据参数需求不同可选择不同的调制类型和调制频率。一般对光有3种调制:强度调制,偏振态调制和相位调制。

几何形状和材料

关于外加电场的方向,普克尔盒可以有两种不同的几何形状:

纵向器件具有沿光束方向的电。馐┕缂械目住4蠊馊苋菀资迪,因为所需的驱动电压基本上与光圈无关。电极可以是金属环(左)或带有金属触点的端面(右)透明层。G&H公司在其KDP/KD*P普克尔盒(QX、CQX、IMPACT和TX系列)的产品中使用了这种设计。

横向装置具有垂直于光束的电场。该场通过晶体侧面的电极施加。对于小孔径,它们可以具有较低的开关电压。G&H公司的LiNbO3、BBO和CdTe普克尔盒(Chiron和IRX系列)采用这种设计。

普克尔盒常见的非线性晶体材料有磷酸二氘钾(KD*P =DKDP)、磷酸氧钛钾(KTP)、β-硼酸钡(BBO)(后者用于更高的平均功率和/或更高的开关频率),铌酸锂(LiNbO3)、钽酸锂(LiTaO3)和磷酸二氢铵(NH4H2PO4,ADP)。

半波电压

普克尔盒的一个重要特性是半波电压Uπ(也称为Uλ/2或Vλ/2)。这是引起π相变所需的电压,相当于半个光波长。在调幅器中,施加的电压必须改变这个值,以便从传输最小的操作点到传输最大的操作点。具有横向电场的普克尔盒的半波电压取决于晶体材料、电极间距和施加电场的区域的长度。对于更大的开孔,电极间距需要更大,因此电压也需要更大。对于具有纵向电场的普克尔盒,晶体长度无关紧要,因为例如较短的长度也会增加给定电压的电场强度。在不增加半波电压的情况下可以实现更大的孔径。典型的普克尔盒具有数百甚至数千伏的半波电压,因此大调制深度需要高压放大器。对于高度非线性晶体材料(如LiNbO3)和具有小电极间距的集成光调制器,相对较小的半波电压是可能的,但此类器件的功率处理能力有限。

调制带宽

普克尔盒可能的调制带宽可能非常高——许多兆赫,甚至可能是数千兆赫。它基本上仅受可以修改电光晶体中电场强度的速度的限制。因此,它基本上受到所使用的普克尔盒驱动器电子设备的限制,并且可能受到驱动器和普克尔盒之间的电缆连接的限制。然而,具有高电容的普克尔盒使驱动器更难以实现高带宽。因此,使用具有低介电敏感性εr的晶体材料是有益的。此外,所选择的电极几何形状可以发挥作用,并且这也可能受到例如关于开孔的要求的影响。

飞马系列LiNbO3普克尔盒

飞马系列普克尔盒采用质量极高的铌酸锂(LiNbO3)晶体,这些晶体由 G&H 公司生长和制造,确保了高消光比、高透射率、低开关电压和优异的温度稳定性。得益于J9九游会的垂直整合,J9九游会实现了从晶体生长和抛光到J9九游会广泛的内部AR涂层的全程质量控制。

飞马系列普克尔盒的独特性能使其成为 Q 开关高能中红外激光器(例如 Er:YAG 2.94 ?m、Er,Cr:YSGG 2.79 ?m、Ho:YAG 2.10 ?m 和 Tm:YAG 2.01 ?m)的理想替代方案,可替代基于 RTP 的普克尔盒。飞马系列也是商业应用(例如美容和眼科手术)以及军事应用(包括目标指示和测距)的理想普克尔盒选择。

飞马系列LiNbO3普克尔盒

主要特点

  • 美国G&H公司生长的LiNbO3晶体

  • 快速开关速率 >1MHz

  • 最高品质的铌酸锂,透光率>99%

  • 固有对比度 > 1000:1@1064nm

  • 电压对比度 >1000:1@1064nm

  • < λ/10 透射波前畸变@1064nm

  • LIDT >7 J/cm2@1064nm,10ns,1mm直径光束。

选项

可提供螺纹式高压适配器

典型应用

  • 近红外和中红外激光器(Er:YAG、Ho:YAG、Tm:YAG、Er,Cr:YSGG)

  • 激光测距

  • 医疗/美容/眼科手术

  • Q开关

  • 脉冲拾取

  • 信号衰减

  • 功率控制

型号Pegasus 3Pegasus 5Pegasus 7Pegasus 9
通光孔径3mm5mm7mm9mm
波长范围700 to 3500nm(工作波长将由所选的增透膜决定,在2850nm附近存在一个窄吸收带)
单程插入损耗@1064nm< 1.0%
固有对比度(ICR)@1064nm> 1000:1
电压对比度(VCR)@1064nm> 1000:1(平行偏振器)
单程波前畸变@1064nm< λ/10
电容(直流)6pF
?直流电压@1064nm1.18kV1.78kV1.18kV1.48kV
10-90%上升时间(理论值),负载为50Ω0.7ns
调制频率1MHz
占空比(推荐)< 10%
激光损伤阈值(LIDT)>7 J/cm?(1064nm, 10ns, 10Hz, 1mm光束直径)
操作温度范围-25°C - 70°C
操作湿度范围<85% RH(非结露)
储存温度范围-55°C - 85°C
储存湿度范围非结露

固有对比度(ICR)和电压对比度(VCR)可以通过以下近似公式进行缩放:ICR[λ1] = ICR1064nm *[λ1/1064nm]2 VCR(λ1)= VCR1064nm *[λ1/1064nm]。

IRX系列CdTe普克尔盒

IRX系列CdTe普克尔盒在7.0–12?m波长范围内工作,有效孔径为3–10mm,重复频率高达100kHz,在10.6?m处提供>500:1的电压对比度。IRX系列具有专利设计,可将CdTe晶体与外部环境隔离,从而延长使用寿命,并提供水冷设计以提高平均功率处理能力。由于碲化镉具有电光系数高和不易吸水的特性,它作为Q开关主要用于3-12um波段,特别是二氧化碳激光器中。根据客户要求,可以切成布儒斯特角端面,也可以根据客户指定的激光波长镀膜。

IRX系列CdTe普克尔盒

主要特点

  • 高电光效应的CdTe晶体

  • 可提供3-10 mm氩涂层或布鲁斯特切割晶体的孔径

  • 环境隔离EO晶体

  • 可提供定制版本

  • 可提供主动冷却(申请专利中)

  • 3μm-12μm到100 kHz

  • 环境控制和大功率水冷选项(申请专利中)

  • 防潮材料

  • 低光吸收

主要优势

  • 高对比度

  • 宽光谱范围

应用

  • 二氧化碳激光调Q

  • 红外脉冲选择器

型号IRX3IRX4IRX5IRX7IRX9
通光孔径3mm4mm5mm7mm9mm
光通过率>98%@10.6μm>98%@10.6μm>98%@10.6μm>98%@10.6μm>98%@10.6μm
本征对比(ICR)@10.6μm>500:1>500:1>500:1>500:1>500:1
电压对比(VCR)@10.6μm>500:1>500:1>500:1>500:1>500:1
单程波前畸变@10.6μm<λ/4<λ/4<λ/4<λ/4<λ/4
电容(DC)6pF6pF6pF6pF6pF
直流1/4波电压(±6%)@10.6μm~4kV~5kV~6kV~7kV~9kV
理论上10-90%上升时间(50Ω电线)~0.3ns~0.3ns~0.3ns~0.3ns~0.3ns
1s占空比<10%<10%<10%<10%<10%
激光损伤阈值2.3J/cm2,直径1mm,2.94?m,2Hz,100ns
光谱操作范围必须在5-12?m范围内指定波长或波段
外形尺寸直径34.9mm, 长度92.7mm

可按客户要求定制孔径。建议在1/10的流量下运行,以延长使用寿命。LIDT将随波长和光束参数变化。

Chiron系列BBO普克尔盒

Chiron BBO普克尔盒在200–1650nm波长范围内工作,有效孔径为3.25–7mm,重复频率高达1MHz。在1064nm处提供>1000:1的压电系数比。利用双晶体几何结构,具有最小驱动电压(四分之一波电压:2.3kV@1064nm)。Chiron BBO普克尔盒提高了高重复率和高平均功率激光应用的标准,因为其吸收率低,可减少热透镜效应和消偏振。低吸收是通过卓越的晶体质量实现的,J9九游会通过利用晶体生长、制造和抛光技术的专有技术来实现这一点,以提供可靠、高性能的普克尔盒。该系列普克尔盒可用于再生放大器、高脉冲重复率微加工激光器和用于材料加工和金属退火的高平均功率激光器,以及任何其他高功率激光应用。

Chiron系列BBO普克尔盒

主要特点

  • 高达1MHz的高脉冲频率

  • 固态

  • 低噪音

  • 抗损伤陶瓷孔径

  • 紧凑的设计

  • 高可靠性

  • 高平均功率运行

主要优势

  • 适用于高平均功率系统

  • 低吸收,热效应低

  • 卓越的高重复率性能

  • 提供技术支持

应用

  • 军事

  • OEM 和替换激光系统:

    • ? 加工、打标、钻孔

    • ? 眼科

    • ? Q开关和再生放大器

    • - 研究

型号Chiron 2.6Chiron 3Chiron 4Chiron 5Chiron 7
通光孔径2.6mm3.25mm4mm5.5mm7mm
单程插入损耗@1064nm<1.5%<1.5%<1.5%<1.5%<1.5%
本征对比(ICR)@1064nm>1000:1>1000:1>1000:1>1000:1>1000:1
电压对比 (VCR)@1064>1000:1>1000:1>1000:1>1000:1>1000:1
单程波前畸变@1064nm<λ/6<λ/6<λ/6<λ/6<λ/6
镀膜层损伤阈值LIDT,
 10Hz@1064nm,10ns,~1mm直径
10J/cm210J/cm210J/cm210J/cm210J/cm2
电容(DC)~4pF~4pF~4pF~4pF~4pF
直流1/4波电压(±6%)@1064nm1.9kV2.3kV2.9kV3.8kV4.7kV
储存和运输的温度-25℃至50℃-25℃至50℃-25℃至50℃-25℃至50℃-25℃至50℃
理论上10-90%上升时间(50Ω电线)~ 1ns~ 1ns~ 1ns~ 1ns~ 1ns
1s占空比<5%<5%<5%<5%<5%
外形尺寸直径25.3mm,长57.7mm

1MHz重复率下的普克尔盒性能标准化为100%的起始对比度

 

以下系列KDP普克尔盒G&H停止生产。作为其长期授权的代理商,J9九游会目前尚有少量库存在售,性能完好,包装齐全,售完即止。如果您需要此特定型号或有升级换代的需求,请立即联系J9九游会的销售工程师,J9九游会将为您提供最优的库存方案或推荐在产替代型号。

Impact系列KD*P普克尔盒

Impact系列KD*P普克尔盒在300-1100nm波长范围内的透射率超过98.5%,有效孔径范围为8-13mm,本征对比度>4000:1,在1Khz频率下工作,采用了最好的无应力、高度氘化的KD*P晶体。陶瓷孔径确保在严苛的应用中也具有稳定的性能。可用于多种激光波长的超高的损伤阈值的溶胶和AR镀膜。选配标准的针型连接器(适用于高电压应用),简便的设计方便客户快速的连接和组装,客户也可选择传统的螺纹接头。IMPACT系列是采用干燥的氮气回吹来保护的真空密封,价格合理,专为设备制造商(OEM)研制。

Impact系列KD*P普克尔盒

主要特点

  • 高达1MHz的高脉冲频率

  • 小尺寸适合微型系统

  • 紧凑–重量轻且节省空间

  • 抗损伤陶瓷孔径

  • 高透射率和对比度

  • 高抗光学损伤性

  • 工作频率为1kHz

应用

  • 军事

  • OEM

  • 研究

  • 教育

  • 医疗

型号Impact8Impact9Impact10Impact13
通光孔径8mm9.25mm10mm13mm
单程插入损耗@1064nm<2%<2%<2%<2%
本征对比(ICR)@1064nm>2000:1>2000:1>2000:1>2000:1
电压对比 (VCR)@1064>1500:1>1500:1>1500:1>1500:1
单程波前畸变@633nm<λ/6<λ/6<λ/6<λ/6
电容(DC)6pF6pF6pF6pF
直流1/4波电压(±6%)@1064nm3.5kV3.5kV3.5kV3.5kV
理论上10-90%上升时间(50Ω电线)0.8ns0.9ns1.1ns1.1ns
镀膜层损伤阈值LIDT,
 10Hz@1064nm,10ns,~1mm直径
10J/cm210J/cm210J/cm210J/cm2

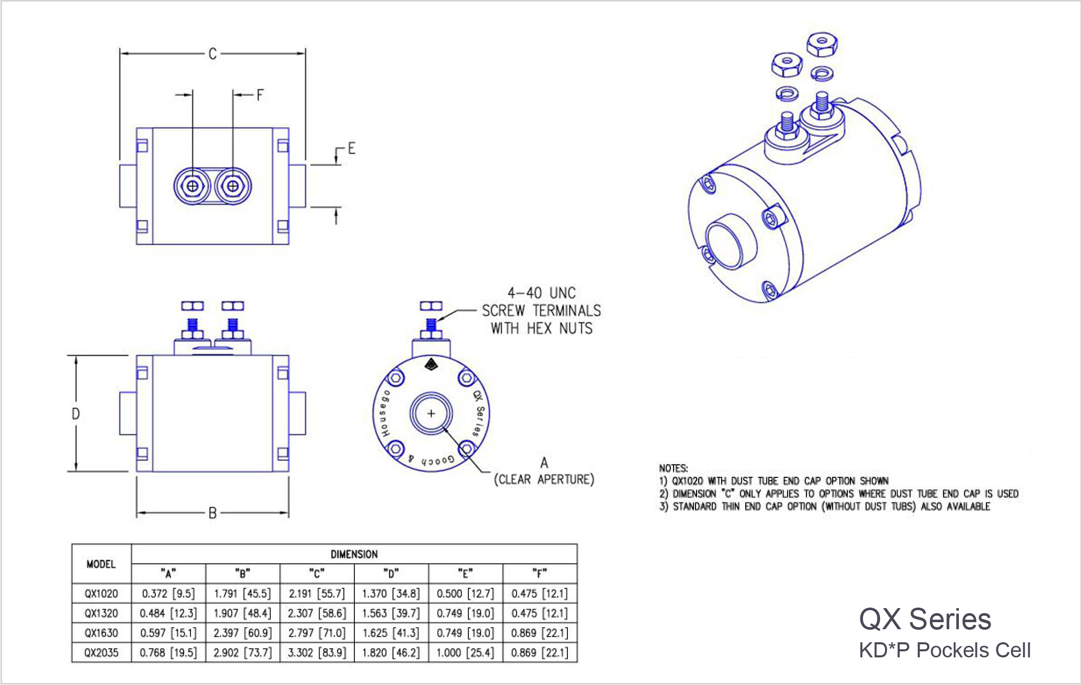
QX系列KD*P普克尔盒

QX系列KD*P普克尔盒在300–1100nm波长范围内工作,有效孔径为9.5–19.5mm,重复频率高达3kHz。在1064nm处提供大于2000:1的电压对比度。QX系列为KD*P普克尔盒设定了标准,采用宽带、高损伤阈值溶胶凝胶增透膜及紧凑型设计,以提高耐用性和性能,具有坚固的陶瓷孔径和优质的紫外级熔融石英窗口,可实现高透射率和对比度。

QX系列KD*P普克尔盒

主要特点

  • 干性或液体密封

  • 99.9% KD*P重氢工业化标准

  • 无环氧和粘结剂

  • 紫外级熔融硅窗口

  • 有效孔径为9.5–19.5mm

  • 业内最低的吸收率

  • 最高的抗光学损伤能力

  • 工作频率为3kHz(10kHz衰减模型)

应用

  • Q 开关、脉冲拾取和腔倒空器

  • 工业和军事OEM,研究激光器系统教育

型号QX1020QX1320QX1630QX2035
通光孔径9.25mm12.3mm15.1mm19.5mm
单程插入损耗@1064nm<1.4%<1.4%<1.8%<2%
本征对比(ICR)@1064nm5000:15000:15000:15000:1
电压对比 (VCR)@10642500:11500:11800:11000:1
单程波前畸变@633nm<λ/8<λ/8<λ/8<λ/6
电容(DC)5pF7pF9pF13pF
直流1/4波电压(±6%)@1064nm3.5kV3.5kV3.5kV3.5kV
理论上10-90%上升时间(50Ω电线)0.8ns1.1ns1.1ns1.5ns

QX1014A短路径KD*P普克尔盒

QX1014A短路径KD*P普克尔盒作为行业标准QX系列普克尔盒中最新型号,在300–1100nm波长范围内工作,具有从8mm起的短路径长度有效孔径,重复频率高达10kHz。在633nm处提供大于1200:1的电压对比度,并具有紧凑的设计,具有坚固的陶瓷孔径和优质的紫外熔融石英窗口,可实现高透射率和对比度。采用宽带、高损伤阈值溶胶凝胶增透膜,以提高耐用性和性能。采用短路径长度零件用来减少在高峰值功率应用和飞秒应用中光脉冲在非线性介质中传播时导致的非线性自聚焦效应。衰减(阻尼)修改允许高达10kHz的有效操作从而有效的抑制了声振效应。J9九游会可提供多种AR镀膜,包括J9九游会的独有的700-1000nm AR镀膜-非常适合减小钛蓝宝石再生放大器的插入损耗。

QX1014A短路径KD*P普克尔盒

主要特点

  • 短路径长度,运行高达10kHz

  • 可定制AR镀膜,包括适用于钛蓝宝石带宽的AR镀膜、波长可选、陶瓷通光孔径、低VOC材料和高质量KD*P晶体

主要优势

  • 高损伤阈值

  • 低插入损耗

应用

  • 光谱学用超快再生放大器

  • 材料加工

  • 光学参量放大

  • 生命科学用飞秒激光(如LASIK)和材料加工(如光刻掩模修复)

  • 科学研究

主要技术参数

  • 通光孔径:8mm

  • 本征对比(ICR)@633nm:>1200:1

  • 电压对比 (VCR)@633nm:>450:1

  • 光传输@镀膜波长:>98%

  • 直流半波电压@633nm:≤3.8kV

  • 透射波畸变@633nm:λ/8

  • 外形尺寸:直径34.8mm,长度51.6mm

TX系列大孔径KD*P普克尔盒

TX系列KD*P普克尔盒在300–1300nm 波长范围内工作,具有19.5–99mm 的大有效孔径,重复频率高达1kHz。在1064nm处提供大于8000:1的电压对比度。还配有亚微米级的轴向可调窗口,用于调节窗口/晶体间距,同时配有224 TPI精密调节螺丝可用于再次调节窗口平行度和弧度。

TX系列KD*P普克尔盒是目前市面上最先进的应用于高功率的大口径光学隔离器。J9九游会作为业界的先驱研发的激光诱导核聚变和亚微米微光刻技术的普克尔盒现有大约300台在全球范围内使用,所售数量是其他制造商所售总和的两倍多。J9九游会利用最先进的技术特别修改了圆柱形环形电极几何结构,用来实现光均匀的传输达到最佳的消光比和最短的光路。J9九游会在TX系列普克尔盒上安装优质的50Ω  GHV系列电气插座,因为其额定值为20kVDC和1GHz(需与RG-8 A/U或RG-213/U同轴电缆一起使用)。

TX系列KD*P普克尔盒

主要特点

  • 亚微米级轴向可调窗口,用于调节窗口/晶体间距

  • 224TPI精密调节螺丝,用于调节窗口平行度和弧度

  • 双循环口

  • 易于检查和清洁的水晶镜面

  • 50Ω传动线标准配置。

  • 精密加工不含环氧树脂

  • 可提供各种孔径尺寸

主要优势

  • 扩束可降低光强

应用

  • 超短超强激光器的Q开关和光隔离器

  • 高功率可见光和近红外激光器的光隔离和低频调制

型号TX2042TX2650TX3460TX5065TX7595TX100D
通光孔径19.5mm25.5mm33.5mm49.5mm73.5mm99.0mm
晶体氘化95%95%95%95%95%95%
单程插入损耗@1064nm3.5%4%5%5%6.5%7%
本征对比(ICR)@1064nm>2000:1>2000:1>2000:1>2000:1

电压对比 (VCR)@1064
 交叉偏振器
 平行偏振器
8000:1
3000:1
8000:1
2500:1
6000:1
1500:1
3000:1
500:1
800:1
300:1
200:1
100:1
单程波前畸变@1064nm<λ/20<λ/20<λ/20<λ/20<λ/20<λ/20
最大残余双折射(通常小于孔径的1%)<10nm<12nm<18nm<20nm<40nm<80nm
直流半波电压@1064nm6.4kV6.4kV6.7kV6.9kV7.3kV7.7kV
电容 @ 1 kHz23pF27pF32pF56pF86pF115pF
理论上10-90%上升时间(50Ω电线)1ns<2ns2ns3ns5ns7ns
尺寸(LxHxW)*85x80x85mm97x87x92mm102x95x103mm115x111x119mm151x136x144mm157x161x169mm
重量1.1kg1.4kg1.9kg2.7kg5.4kg7.5kg

L=沿光轴方向的外壳长度;W=电气端子之间的宽度;H=高度。可提供某些特定尺寸的99%氘化 KD*P和UV级KDP。点击此处查看TX系列50Ω传输模式接线信息

您可能感兴趣的文章
【网站地图】【sitemap】